Объявление
Печь-буржуйка твердотопливная Фурия-М - Отопление, обогрев
Продам, предлагаю - частное лицо: Отопление, обогрев, Украина, Днепр и Днепропетровская областьКод: 456636 Создано: 26-02-2015 17:55
Цена: 1 800 грн. ₴
|
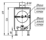
Технические характеристики: - вид топлива - твёрдое; - эквивалентная максимальная мощность - 5 кВт; - максимальный объем топочной камеры - 28 л - максимальный объем закладки дров - 20 л - диаметр дымохода - 110 мм - габаритные размеры LхBхH, не более - 560x325x625 мм; - общий вес, не более - 47 кг. Печь отопительная, буржуйка, твердотопливная, дровяная, для дачи |
|
Картинки
Контактные данные
| Имя: |
Владимир |
|
| Контактный телефон: |
0684189457 |
|
| Мобильный телефон: |
0684189457 |


